| Introduction of Hysteresis Clutch and Its Profile Technical Parameters | |||||||||||||||||||||||||||||||||||||||||||||||||||||||||||||||||||||||||||||||||||||||||||||||||||||||||||||||||||||||||||||||||||||||||||||||||||||||||||||||||||||||||||||||||||||||||||||||||||||||||||||||||||||||||||||||||||||||||||||||||||||||||||||||||||||||||||||||||||||||||||||||||||||||||||||||||||||||||||||||||||||||||||||||||||||||||||||||||||||||||||||||||||||||||||||||||||||||||||||||||||||||||||||||||||||||||||||||||||||||||||||||||||||||||||||||||||||||||||||||||||||||||||||||
| Hits:19024 AddTime:2021/9/20 22:49:14 | |||||||||||||||||||||||||||||||||||||||||||||||||||||||||||||||||||||||||||||||||||||||||||||||||||||||||||||||||||||||||||||||||||||||||||||||||||||||||||||||||||||||||||||||||||||||||||||||||||||||||||||||||||||||||||||||||||||||||||||||||||||||||||||||||||||||||||||||||||||||||||||||||||||||||||||||||||||||||||||||||||||||||||||||||||||||||||||||||||||||||||||||||||||||||||||||||||||||||||||||||||||||||||||||||||||||||||||||||||||||||||||||||||||||||||||||||||||||||||||||||||||||||||||||
Overview: Hysteresis clutch is based on the hysteresis principle,and uses hysteresis to transmit torque. The excitation current and the transmitted torque are basically linear. In the case of no slip speed, it can transmit a certain torque, and has the advantages of fast response,simple structure, no pollution ,no noise,no impact vibration, and energy conservation. It is a multi-purpose,superior performance automatic control component. It can be widely used in the field,of tension control for buffer starting,overload protection,speed regulation,and winding in winding systems. Specification
Remarks:The products above are self cooling hysteresis clutches of our company If you need other specifications,we can provide customized service and technology support.
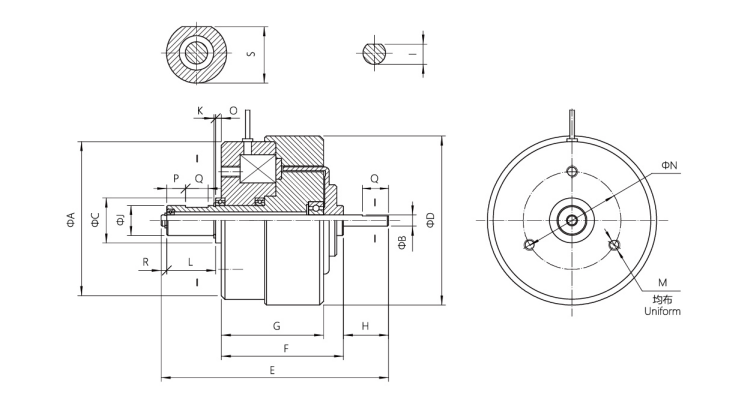
HL-B Type hysteresis clutch Dimension
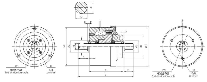
HL-C Type hysteresis clutch Dimension
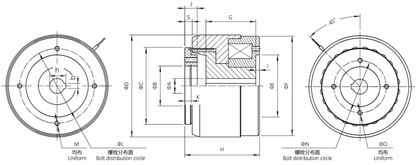
HL-K Type hysteresis clutch dimension
| |||||||||||||||||||||||||||||||||||||||||||||||||||||||||||||||||||||||||||||||||||||||||||||||||||||||||||||||||||||||||||||||||||||||||||||||||||||||||||||||||||||||||||||||||||||||||||||||||||||||||||||||||||||||||||||||||||||||||||||||||||||||||||||||||||||||||||||||||||||||||||||||||||||||||||||||||||||||||||||||||||||||||||||||||||||||||||||||||||||||||||||||||||||||||||||||||||||||||||||||||||||||||||||||||||||||||||||||||||||||||||||||||||||||||||||||||||||||||||||||||||||||||||||||
| 【Refresh】【Favorites】【Print】 【Close】 | |||||||||||||||||||||||||||||||||||||||||||||||||||||||||||||||||||||||||||||||||||||||||||||||||||||||||||||||||||||||||||||||||||||||||||||||||||||||||||||||||||||||||||||||||||||||||||||||||||||||||||||||||||||||||||||||||||||||||||||||||||||||||||||||||||||||||||||||||||||||||||||||||||||||||||||||||||||||||||||||||||||||||||||||||||||||||||||||||||||||||||||||||||||||||||||||||||||||||||||||||||||||||||||||||||||||||||||||||||||||||||||||||||||||||||||||||||||||||||||||||||||||||||||||
| Previous:HL-A Type hysteresis clutch Dimension Next:HZ-J/Q Base type air cooling hysteresis brake | |||||||||||||||||||||||||||||||||||||||||||||||||||||||||||||||||||||||||||||||||||||||||||||||||||||||||||||||||||||||||||||||||||||||||||||||||||||||||||||||||||||||||||||||||||||||||||||||||||||||||||||||||||||||||||||||||||||||||||||||||||||||||||||||||||||||||||||||||||||||||||||||||||||||||||||||||||||||||||||||||||||||||||||||||||||||||||||||||||||||||||||||||||||||||||||||||||||||||||||||||||||||||||||||||||||||||||||||||||||||||||||||||||||||||||||||||||||||||||||||||||||||||||||||
- Torque speed sensor
- torque speed sensor
- Magnetic powder clutch
- Magnetic powder brake
- Tension control system
- Deviation control system
- Safety chuck
- Air shaft
- Eddy current brake
- Robot Joint Module Test Stand
- Hysteresis brake
- Hysteresis clutch
- Hysteresis dynamometer
- Eddy current dynamometer
- Electric dynamometer
- Magnetic powder dynamometer
- Hydraulic dynamometer
- Chassis dynamometer
- Drill pipe test bench
- Actuator, worm gear box, test bench
- Engine, axle, gearbox, PTO test bench
- Reducer test bench
- Traction machine test bench
- Motor test bench
- Planetary reducer test bench
- RV, Harmonic Test Bench
- Hydraulic pneumatic motor test bench
- Hydraulic wrench test bench
- Testing software
- Slewing bearing test bench
- Acquisition instrument
- New energy vehicle transmission test bench
- Non-standard custom test bench
- High and low temperature test chamber
- coupling
- Industrial chiller
- Torque calibration



