| G系列膜片联轴器 |
| 来源: 点击数:4281次 更新时间:2024/7/30 8:58:50 |
介 绍
G系列膜片联轴器为通用设备提供经济型的传动解决方案,采用束腰型膜片,更大的使用扭矩,更小的膜片应力。
G系列膜片联轴器有6孔、8孔及10孔设计,满足不同扭矩及补偿的要求,并有多种结构型式,可根据要求进行动平衡,也可根据要求满足API610或API671标准。
• 无限寿命设计
• 过载保护
• 低附加载荷
• 零维护,无需润滑和维护
• 无间隙
性能
规格;90-760
扭矩:240N.m-870000N.m
开孔直径:至3330mm
如需更大规格,请咨询兰菱科技
应用
• 离心泵
• 离心式压缩机
• 鼓风机
• 冷冻机
• 透平机
• 其他
金属挠性元件联轴器
金属挠性元件联轴器采用金属作为挠性元件,传动
扭矩大,同时具有一定的轴向、角向及径向的补偿
能力,包括蛇型弹簧联轴器及膜片联轴器,其中蛇
型弹簧联轴器适用于现场比较脏的环境,同时被驱
动设备具有较大的振动计冲击载荷。而膜片联轴器
则适用于高转速及高要求的场所,如石油化工行业。
兰菱科技可以提供以下型式的联轴器
应用
G型膜片联轴器选型,需要客户提供以下参数。
1. 额定功率(kW)
2. 额定转速(RPM)
3. 轴的长度及直径
4. 轴端距离
5. 服务要求
6. 动态位移
7. 其他几何或环境限制
服务系数:
1. 从安全系数表1中选择从动设备的服务系数SFA
2. 从安全系数表2中选择主动设备的服务系数SFB
3. 把两个安全系数SFA和SFB合成为服务系数SF
选 型 步 骤 1. 计算额定扭矩
1. 选择合适的服务系数
建议的安全系数参见表1及表2。安全系数根据应用可能发生变化,影响因素主要包括:
1. 驱动和被驱动设备的类型
2. 反转/无反转载荷
3. 峰值扭矩
选择的联轴器规格的额定扭矩必须大于计算得到的扭矩。校核应用的峰值扭矩是否小于峰值扭矩。
3.校核轴毂的开孔能力,是否满足开孔要求,如果不能满足,则选择更大规格的联轴器
4.校核轴/轴毂的连接方式能否传递扭矩。如果有必要,可以延长轴毂。
校核转速转速是否满足要求,样本中的最大转速为平衡转速。如果需要更高的转速,请咨询兰菱科技。
校核动态不对中是否满足要求。
校核DBSE是否满足要求。
安全系数表1
安全系数表2
性能参数丨6孔膜片组
性能参数丨8孔膜片组
性能参数丨10孔膜片组
结构型式
结构尺寸丨SU-6丨SUR-6型
结构尺寸丨SX-6丨SXR-6型
结构尺寸丨CC-6丨CCR-6型
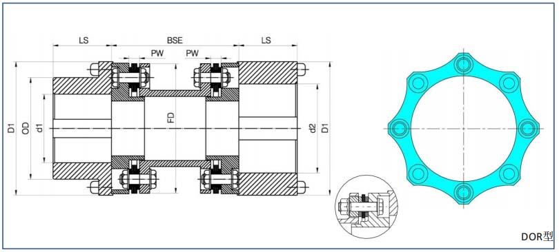
结构尺寸丨DO-6丨DOR-6型
结构尺寸丨SU-8丨SUR-8型
结构尺寸丨SX-8丨SXR-8型
结构尺寸丨CC-8丨CCR-8型
结构尺寸丨DO-8丨DOR-8型
结构尺寸丨SU-10丨SUR-10型
结构尺寸丨SX-10丨SXR-10型
结构尺寸丨CC-10丨CCR-10型
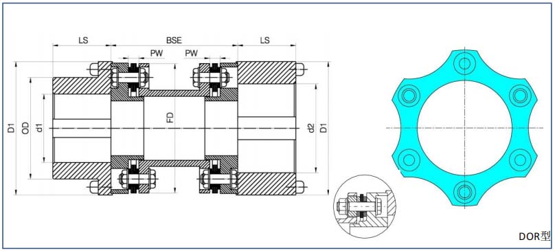
结 构 尺 寸丨DO-10丨DOR-10 型
|
| 【刷新页面】【加入收藏】【打印此文】 【关闭窗口】 |
| 上一篇:工业冷水机 下一篇:非标环境试验箱定制 |
服务热线:400-111-3688 (24小时)
工作时间:7:30-11:30 12:30-16:30 (双休)


