| HZ-J/Q型底座式气冷却磁滞制动器 |
| 来源: 点击数:19411次 更新时间:2021/9/10 10:04:20 |
|
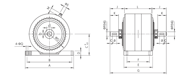
型号
|
A
|
B
|
C
|
D
|
E
|
F
|
G
|
I
|
J
|
K
|
L
|
M
|
φO
|
φP(h6)
|
φQ
|
H
|
φS
|
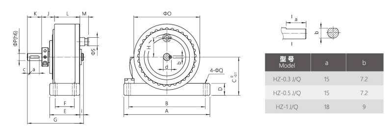
a
|
b
|
c
|
d
|
|
HZ-0.3J/Q
|
110
|
95
|
42
|
12
|
45.5
|
30
|
72
|
3
|
6.5
|
25
|
34.5
|
16
|
69
|
8
|
7
|
50
|
10
|
铣扁(见上表)
|
|
HZ-0.5J/Q
|
110
|
95
|
42
|
12
|
45.5
|
30
|
72
|
3
|
6.5
|
25
|
34.5
|
16
|
69
|
8
|
7
|
50
|
10
|
|
HZ-1J/Q
|
140
|
120
|
55
|
15
|
55
|
25
|
84
|
6
|
10.2
|
27.8
|
40
|
16
|
91
|
10
|
7
|
61
|
10
|
|
HZ-2J/Q
|
150
|
130
|
70
|
18
|
70
|
30
|
104
|
7.9
|
13.6
|
31.4
|
51
|
16
|
115
|
12
|
7
|
75
|
18
|
20
|
4
|
5
|
13.5
|
|
HZ-3J/Q
|
180
|
160
|
80
|
25
|
80
|
40
|
118
|
8.2
|
26.8
|
30
|
53
|
18
|
138
|
15
|
9
|
32
|
20
|
20
|
5
|
5
|
17
|
|
HZ-5J/Q
|
220
|
200
|
90
|
25
|
90
|
60
|
146
|
7.5
|
27.5
|
38
|
73
|
18
|
157
|
17
|
9
|
31
|
20
|
20
|
5
|
5
|
19
|
|
HZ-6J/Q
|
220
|
200
|
90
|
25
|
90
|
60
|
146
|
7.5
|
27.5
|
38
|
73
|
18
|
157
|
17
|
9
|
31
|
20
|
20
|
5
|
5
|
19
|
|
HZ-10J/Q
|
270
|
250
|
120
|
25
|
120
|
55
|
167
|
10
|
32.4
|
48
|
76.5
|
18
|
226
|
25
|
9
|
45
|
20
|
25
|
8
|
12.5
|
28
|
|
HZ-12J/Q
|
270
|
250
|
120
|
25
|
120
|
55
|
167
|
10
|
32.4
|
48
|
76.5
|
18
|
226
|
25
|
9
|
45
|
20
|
25
|
8
|
12.5
|
28
|
|
HZ-15J/Q
|
270
|
250
|
120
|
25
|
120
|
55
|
167
|
10
|
32.4
|
48
|
76.5
|
18
|
226
|
25
|
9
|
45
|
20
|
25
|
8
|
12.5
|
28
|
|
型号
|
A
|
B
|
C
|
D
|
E
|
F
|
G
|
J
|
K
|
L
|
M
|
φO
|
φP(h6)
|
φQ
|
S
|
a
|
b
|
c
|
d
|
|
HZ-24J/Q
|
270
|
250
|
120
|
25
|
160
|
125
|
314
|
80.5
|
48
|
153
|
18
|
226
|
25
|
9
|
20
|
25
|
8
|
12.5
|
28
|
|
HZ-30J/Q
|
270
|
250
|
120
|
25
|
160
|
125
|
314
|
80.5
|
48
|
153
|
18
|
226
|
25
|
9
|
20
|
25
|
8
|
12.5
|
28
|
|
HZ-40J/Q
|
320
|
280
|
180
|
20
|
190
|
150
|
360
|
81
|
48
|
189
|
18
|
316
|
25
|
12
|
20
|
25
|
8
|
10
|
28
|
|
HZ-50J/Q
|
320
|
280
|
180
|
20
|
190
|
150
|
360
|
81
|
48
|
189
|
18
|
316
|
25
|
12
|
20
|
25
|
8
|
10
|
28
|
|
HZ-100J/Q
|
320
|
280
|
180
|
20
|
280
|
240
|
475
|
93
|
48
|
289
|
18
|
316
|
30
|
12
|
20
|
25
|
8
|
10
|
33
|
|
| 【刷新页面】【加入收藏】【打印此文】 【关闭窗口】 |
| 上一篇:磁滞离合器介绍及外形技术参数 下一篇:HZ-Q型气冷却磁滞制动器 |