| HZ-B型左出轴磁滞制动器 |
| 来源: 点击数:16818次 更新时间:2019/1/10 16:28:10 |
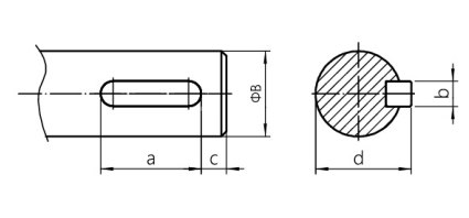
HZ-B型左出轴磁滞制动器外形尺寸
|
型号
|
φA
|
φB(H6)
|
φC(H6)
|
D
|
E
|
F
|
G
|
H
|
I
|
J
|
K
|
φL
|
M
|
N
|
|
HZ-0.003B
|
35
|
2
|
6
|
0.4
|
-
|
20
|
38
|
13
|
23.5
|
13
|
3-M3↓5
|
20
|
-
|
-
|
|
HZ-0.02B
|
35
|
3
|
8
|
0.5
|
-
|
22
|
38
|
10.7
|
25.8
|
13
|
3-M3↓5
|
20
|
8
|
2.7
|
|
HZ-0.03B
|
42
|
4
|
11
|
0.5
|
-
|
23.5
|
45
|
14
|
28.5
|
15
|
3-M3↓5
|
26
|
10
|
3.6
|
|
HZ-0.05B
|
42
|
4
|
11
|
0.5
|
-
|
23.5
|
45
|
14
|
28.5
|
15
|
3-M3↓5
|
26
|
10
|
3.6
|
|
HZ-0.07B
|
46
|
5
|
13
|
0.6
|
1.5
|
23.2
|
47
|
14
|
28.5
|
15.4
|
3-M3↓6
|
26
|
10
|
4.6
|
|
HZ-0.1B
|
53
|
6
|
15
|
0.8
|
2
|
26
|
55
|
21
|
32
|
20
|
3-M3↓6
|
30
|
12
|
5.5
|
|
HZ-0.2B
|
58
|
6
|
15
|
0.8
|
2
|
27
|
55
|
20
|
32
|
20
|
3-M4↓6
|
30
|
12
|
5.5
|
|
HZ-0.3B
|
69
|
8
|
22
|
1
|
3
|
35
|
70
|
25.5
|
41
|
25
|
3-M4↓8
|
40
|
15
|
7.2
|
|
HZ-0.5B
|
69
|
8
|
22
|
1
|
3
|
35
|
70
|
25.5
|
41
|
25
|
3-M4↓8
|
40
|
15
|
7.2
|
|
HZ-1B
|
91
|
10
|
22
|
1
|
2
|
40
|
84
|
27
|
51
|
29
|
3-M4↓10
|
38
|
18
|
9
|
|
HZ-2B
|
115
|
12
|
28
|
1
|
4
|
51
|
101
|
31.4
|
64.5
|
31
|
3-M5↓10
|
70
|
键槽(见下表)
|
|
HZ-2B
|
138
|
15
|
32
|
1.2
|
3.5
|
53
|
117
|
20
|
79.8
|
30.7
|
3-M5↓10
|
80
|
|
HZ-5B
|
157
|
17
|
35
|
1.2
|
4
|
73
|
146
|
38
|
100.5
|
38
|
3-M6↓10
|
90
|
|
HZ-6B
|
157
|
17
|
35
|
1.2
|
4
|
73
|
146
|
38
|
100.5
|
38
|
3-M6↓10
|
90
|
|
HZ-10B
|
226
|
25
|
52
|
1.3
|
6
|
76.5
|
167
|
48
|
108.9
|
48.9
|
3-M6↓12
|
100
|
|
HZ-12B
|
226
|
25
|
52
|
1.3
|
6
|
76.5
|
167
|
48
|
108.9
|
48.9
|
3-M6↓12
|
100
|
|
HZ-15B
|
226
|
25
|
52
|
1.3
|
6
|
76.5
|
167
|
48
|
108.9
|
48.9
|
3-M6↓12
|
100
|
|
型号
|
φB(h6)
|
a
|
b
|
c
|
d
|
|
HZ-2B
|
12
|
20
|
4
|
5
|
13.5
|
|
HZ-3B
|
15
|
20
|
5
|
6
|
17
|
|
HZ-5B
|
17
|
20
|
5
|
6
|
20
|
|
HZ-10B
|
25
|
25
|
8
|
12.5
|
28
|
|
HZ-12B
|
25
|
25
|
8
|
12.5
|
28
|
|
HZ-15B
|
25
|
25
|
8
|
12.5
|
28
|
|
| 【刷新页面】【加入收藏】【打印此文】 【关闭窗口】 |
| 上一篇:HZ-C型右出轴磁滞制动器 下一篇:HZ-A型双出轴磁滞制动器 |