| CW电涡流制动器 | |||||||||||||||||||||||||||||||||||||||||||||||||||||||||||||||||||||||||||||||||||||||||||||||||||||||||||||||||||||||||||||||||||||||||||||||||||||||||||||||||||||||||||||||||||||||||||||||||||||||||||||||||||||||||||||||||||||||||||||||||||||
| 来源: 点击数:30862次 更新时间:2023/10/3 10:49:34 | |||||||||||||||||||||||||||||||||||||||||||||||||||||||||||||||||||||||||||||||||||||||||||||||||||||||||||||||||||||||||||||||||||||||||||||||||||||||||||||||||||||||||||||||||||||||||||||||||||||||||||||||||||||||||||||||||||||||||||||||||||||
电涡流制动器作为一种负载,主要用来测量动力机械特性的检验设备,它和其他控制测量仪可组成电涡流测功机。可用于内燃机、电机、燃气轮机、汽车及其动力机械部件的性能测试,与其他测功装置相比,CW系列测功装置具有更高的可靠性、稳定性,和实用性。 电涡流制动器主要特点: 1.结构简单,运行稳定,价格低廉,使用维护方便。 2.采用水冷却,噪音低,振动小。 3.输入转速范围宽。 4.历次控制功率小,采用单相直流电源。 5.与测控系统配套,可实现自动化控制。 6.作为制动器使用,具有制动力大,且稳定性能好等优点。 电涡流制动器工作原理: 1.CW系列电涡流制动器的基要结构(见下图)
CW型电涡流制动器由转子(带有槽轮)、定子(包括左右电枢体、励磁线圈、端盖、轴承盖)、机座组成。 2.CW电涡流制动器的工作原理 当与转子同轴装配的励磁线圈通有直流电视时,其产生的磁通经电枢体、涡流环、气隙和转子形成磁闭合回路。由于转子外圈面被制成均匀分布的齿和槽,故在气隙和涡流环内表面产生疏密详见的磁场。因此,当转子被拖动旋转时,在涡流环内表面的任一点的磁场产生交变变化,由此感应出,该“涡流”所形成的磁场又与原气隙磁场相互作用,在转子上就产生了制动力矩。动力机输出的功率被转化成涡流环上“涡流”产生的等值发热量,该热量由进入涡流环冷却水槽中持续不断的冷却水带走。 电涡流制动器主要技术参数:
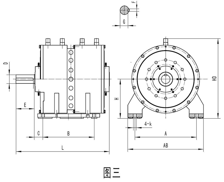
5、外形及安装尺寸 (见下表)
注:上表所列为标准产品的外形及安装尺寸,以供货时提供的尺寸为准。 6、电涡流制动器使用、储存、运输条件 6.1电涡流制动器的工作环境温度在0℃ — +40℃,相对湿度不大于85%,海拔高度不超过1000米。 6.2 电涡流制动器应安装在牢固的基础上,不能受冲击振动,且周围环境应无酸、碱、盐等有害物质。 6.3 运输及储存温度为:-30℃~+50℃ (必须放净冷却系统中的积水) ;运输必须在有包装的情况下进行,公路运输三极路面时,时速不大于30+5公里,铁路水路不限。 6.4对于CW系列电涡流制动器来说,由于被测机所产生的功率被电涡流制动器所吸收,所以工作时必须要有冷却水,否则,电涡流制动器将被烧损! 吸收功率所产生的热量除少部分通过外壳自然散去,绝大部分热量集中在涡流组件上,所以从图一简图中可以看到在制动器涡流环的后背开有多条冷却水流动槽,来自外部的冷却水,流过水槽与导磁环组件进行热交换,被加热的水经水管流出去。 冷却水是电涡流制动器工作时的重要保障,安装时一定要按规定尺寸的水管接到制动器的进出水口,且通过试水,检查供水系统是否漏水,且水流量是否达到规定数值。 冷却水可直接用自来水冷却,或用循环水池供水,使用循环水池应考虑冷却水的散热,应保证进水温度≤25℃,冷却水应用纯净的自来水,冷却水中不含沙盐、碱及其它腐蚀性物质,以防水垢的快速形成。由于各地的水质不同,用户可自行鉴定和判断,并采取措施防止水垢形成,尤其在硬水地区,一定要采取措施。否则将很快使涡流制动器的水道堵塞,使其无法正常工作,可通过加入防锈剂和抗积垢的添加剂,以延长制动器的使用寿命。
电涡流是怎么被发现的,1951年法国科学家傅科发现当一个金属圆盘向磁场移动时,线圈中间的直通量增加,线圈中就产生了感应电流,根据热磁定律线圈中感应电流产生的磁场,要抵抗外部的磁场的变化。感应电流产生的磁场与原磁场相反,我们利用安培右手定律,判定电流产生的方向,电流的方向为逆时针方向,对于整个技术来说。你把它看作产生了一圈又一圈的电流,有点像漩涡的样子,我们称之为电涡流,在实际应用中,我们通常采用交流电的方式产生电磁场,这样导体不动的情况下,也能产生电涡流,由于最外圈切割磁力线的面积最大,磁通量变化也是最大,所以最外圈产生最大的电流,在汽车上由于产生电物流的转子,就把电涡流传感器中间的金属导体做成框架式,节约材料又不影响信号的产生,当电涡流的大小与什么有关呢?我们可以看到铁制圆盘的电物流的计算公式,I为电流大小。二为圆盘直径d为圆盘厚度,d为磁通密度,一维材料的电阻率,电流与厚度半径的磁通密度成正比。与电阻率成反比,这是工作频率最高时,导体产生趋肤效应,在电流一定的情况下,曲阜厚度越薄,电流密度越大,发热量越高,如铁的电阻率为铜的近6倍,铁的电流为铜的1/6,但铁在屈服厚度为铜的1/38,我们如图公式所计算,则铁质材料的发热率为铜的7倍左右,这就是为什么电磁炉不能用铜锅的道理。 | |||||||||||||||||||||||||||||||||||||||||||||||||||||||||||||||||||||||||||||||||||||||||||||||||||||||||||||||||||||||||||||||||||||||||||||||||||||||||||||||||||||||||||||||||||||||||||||||||||||||||||||||||||||||||||||||||||||||||||||||||||||
| 【刷新页面】【加入收藏】【打印此文】 【关闭窗口】 | |||||||||||||||||||||||||||||||||||||||||||||||||||||||||||||||||||||||||||||||||||||||||||||||||||||||||||||||||||||||||||||||||||||||||||||||||||||||||||||||||||||||||||||||||||||||||||||||||||||||||||||||||||||||||||||||||||||||||||||||||||||
| 上一篇:DWZ型电涡流制动器 下一篇:气胀鼓 | |||||||||||||||||||||||||||||||||||||||||||||||||||||||||||||||||||||||||||||||||||||||||||||||||||||||||||||||||||||||||||||||||||||||||||||||||||||||||||||||||||||||||||||||||||||||||||||||||||||||||||||||||||||||||||||||||||||||||||||||||||||
服务热线:400-111-3688 (24小时)
工作时间:7:30-11:30 12:30-16:30 (双休)



