| 75型安全卡盘 | |||||||||||||||
| 来源: 点击数:16799次 更新时间:2021/9/6 23:25:07 | |||||||||||||||
安全卡盘为连续动作的卷轴提供安全、有效连接的装置,避免卷轴在运作过程中松动或旋紧,能够做到有效提高工效及产品品质。 并且安全卡盘具有重负荷设计特点使其可最大限度的承受卷重及轴速,使用单位可指定盘口硬度参数,以实现轴类和夹盘的完美结合。 安全卡盘被广泛应用于涂布、分切、印刷、复卷、复合、造纸、制袋、塑料等相关卷取行业,特别适用于对纸管有较高圆度要求或采用表面收放卷的工艺。
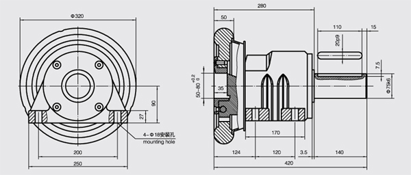
STO/STW75 机座式安全卡盘
STO/STW75 法兰式安全卡盘
| |||||||||||||||
| 【刷新页面】【加入收藏】【打印此文】 【关闭窗口】 | |||||||||||||||
| 上一篇:100型安全卡盘(安全夹头) 下一篇:50型安全卡盘(安全夹头) |
服务热线:400-111-3688 (24小时)
工作时间:7:30-11:30 12:30-16:30 (双休)


