|
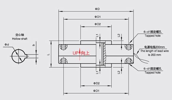
FZ-AK型( 空心轴联结、止口支撑、立式)磁粉制动器
1.FZ-AK型磁粉制动器是采用磁粉作介质,在通电情况下形成磁粉链来传递扭矩的新型传动元件,主要由内转子、外转子、激磁线圈及磁粉组成。
2.当线圈不通电时,主动转子旋转,由于FZ-AK型磁粉制动器离心力的作用,磁粉被甩在主动转子的内壁上,磁粉与从动转子之间没有接触,主动转子空转。
3.接通直流电源后产生电磁场,工作介质磁粉在FZ-AK型磁粉制动器的磁力线作用下形成磁粉链,把内转子、外转子联接起来,从而达到传递,制动扭矩传感器的目的。
|
型号
|
额定转矩(N•m)
|
激磁线圈
|
许用转速(r/min)
|
滑差功率(KW)
|
外形尺寸
|
轴联结尺寸
|
止口支撑尺寸
|
|
电压(V)
|
电流(A)
|
自冷
|
水冷
|
D
|
L
|
d(H7)
|
b(F8)
|
L1
|
L2
|
D1
|
D2(g7)
|
d1×深度
|
|
FZ2.5AK
|
2.5
|
24
|
0.3
|
400
|
0.03
|
/
|
105
|
49
|
12
|
4
|
1
|
8
|
80
|
60
|
M5×8
|
|
FZ6.AK
|
6
|
24
|
0.5
|
400
|
0.05
|
/
|
126
|
52
|
12
|
4
|
2
|
8
|
80
|
60
|
M5×8
|
|
FZ12.AK
|
12
|
24
|
0.6
|
400
|
0.1
|
/
|
150
|
56
|
16
|
5
|
2
|
8
|
82
|
65
|
M6×8
|
|
FZ25.AK
|
25
|
24
|
0.8
|
400
|
0.15
|
1.1
|
180
|
62
|
25
|
8
|
2
|
8
|
105
|
90
|
M6×8
|
|
FZ50.AK
|
50
|
24
|
1.0
|
350
|
0.2
|
2
|
195
|
66
|
30
|
8
|
2
|
8
|
120
|
100
|
M10×12
|
|
FZ100.AK
|
100
|
24
|
1.5
|
350
|
0.3
|
3
|
248
|
85
|
35
|
10
|
2
|
9
|
150
|
120
|
M10×18
|
|
FZ200.AK
|
200
|
24
|
2.0
|
300
|
0.45
|
4
|
302
|
102
|
45
|
14
|
4
|
10
|
180
|
150
|
M12×20
|
|
FZ400.AK
|
400
|
36
|
2.5
|
300
|
0.6
|
5
|
370
|
116
|
50
|
14
|
5
|
12
|
200
|
160
|
M12×25
|
|
FZ630.AK
|
630
|
36
|
3.0
|
300
|
0.8
|
7
|
484
|
144
|
50
|
14
|
5
|
12
|
200
|
160
|
M12×25
|
|
FZ1000.AK
|
1000
|
90
|
4.0
|
300
|
1
|
8
|
550
|
169
|
60
|
18
|
5
|
12
|
260
|
185
|
M12×25
|
|
FZ2000.AK
|
2000
|
90
|
5.0
|
250
|
1.2
|
10
|
700
|
210
|
75
|
20
|
5
|
15
|
300
|
200
|
M12×25
|
|
FZ5000.AK
|
5000
|
90
|
5.0
|
200
|
2
|
15
|
920
|
222
|
90
|
25
|
5
|
18
|
420
|
240
|
M16×30
|
|