| FX-YS型薄型磁粉制动器 | |||||||||||||||||||||||||||||||||||||||||||||||||||||||||||||||||||||||||||||||||||||||||
| 来源: 点击数:19439次 更新时间:2018/10/18 14:09:33 | |||||||||||||||||||||||||||||||||||||||||||||||||||||||||||||||||||||||||||||||||||||||||
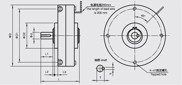
FX-YS型(轴联结、止口支撑)薄型磁粉制动器 当FX-YS型薄型磁粉制动器磁粉刹车器长时间运转会造表面温度升高,因此要特别注意预防不能让水分或者油侵入内部,在安装齿轮箱时如果不正当,油分就会透过轴部侵入内部。 这里建议在安装时用薄膜完全封住,此外长时间的超额运转会导致磁粉刹车器的性能大大降低,或者会引发其它故障发生,因此请务必保证在所容许的滑动工作率之内运转。 使用薄型磁粉制动器时必须要注意使用环境的湿度,也就是注意FX-YS型薄型磁粉制动器周边的湿气,假若磁粉受潮的话,磁粉刹车器的性能就会受到影响,因此造成机器损坏,影响生产工作,是我们所不乐见的,小小的保养知识对于各位的帮助是非常大的,平时的保养维护是最重要的。
| |||||||||||||||||||||||||||||||||||||||||||||||||||||||||||||||||||||||||||||||||||||||||
| 【刷新页面】【加入收藏】【打印此文】 【关闭窗口】 | |||||||||||||||||||||||||||||||||||||||||||||||||||||||||||||||||||||||||||||||||||||||||
| 上一篇:FX-YN/YH型薄型磁粉制动器 下一篇:FZ-K/F型磁粉制动器 | |||||||||||||||||||||||||||||||||||||||||||||||||||||||||||||||||||||||||||||||||||||||||
服务热线:400-111-3688 (24小时)
工作时间:7:30-11:30 12:30-16:30 (双休)


