|
FKG-YN型( 轴联结、止口支撑)微型磁粉制动器
FKG-YN型微型磁粉制动器是根据电磁原理和利用磁粉传递转矩的,它具有激磁电流和传递转矩基本成线性关系,在同滑差无关的情况下能够传递一定的转矩,响应速度快、结构简单等优点。
FKG-YN型微型磁粉制动器是一种多用途、性能优越的自动控制元件。它广泛应用于各种机械中不同目的的制动、加载以及卷绕系统中放卷张力控制等。磁粉离合器还可用于缓冲起动、过载保护、调速等。
微型磁粉制动器特点:
1.激磁电流与转矩成线性关系:磁粉类器件所传递的转矩,大致上和激磁电流的大小呈线性关系。一般而言,在5~
95%的额定转矩内,激磁电流与转矩成正比例线性关系。
2.稳定的滑差转矩:当激磁电流保持不变时,转矩将会稳定的传递,不受滑差的影响。静止和转动转矩不变。因此,只要控制电流,即能控制转矩的大小。
3.快速响应特性:磁粉离合器、制动器的无响应时间,转矩上升时间,转矩下降时间都极短,因此可以用于频繁启停、换向的场合。
4.控制功率小:功率放大倍数高,可用很小的激磁电流控制很大的传递功率,易于实现自动控制。
5.运转平稳,无振动,无冲击,低噪音。
6.过载保护:在转矩超载情况下,自动滑差运行起到过载保护作用
微型磁粉制动器应用范围
电线电缆 造纸工业 包装工业 纺织工业
光纤光缆 纸加工 电机测试的加载 金属箔带加工
橡胶工业 纤维工业 印刷工业 薄膜、胶片工业
印刷工业 皮革工业 其他有关卷取加工业
微型磁粉制动器典型应用举例
1. 适用于恒张力控制系统,比如:印刷机、分切机、复合机、涂布机、造纸机、拉丝机和电缆绕线机,以及金属板材、带材、胶片等加工设备和纺织机械等。
2. 作为加载器,用在发动机、电动机、电动机构、液压元件、减速器等动力机械中作转矩测量时的加载装置。
3. 无级调速,配上传感器及控制线路便可实现无级调速,特别对高转速时速度的微调和中小功率的调速系统。
4. 过载保护,当工作系统发生意外,转矩超载时,离合器自动打滑,从而保护机械设备和原动机。
|
型号
|
额定转矩(N•m)
|
激磁线圈
|
许用转速(r/min)
|
飞轮距J(kg cm2)
|
滑差功率(W)
|
重量(Kg)
|
|
电流(A)
|
功率(W)
|
响应时间(s)
|
|
FKG-5YN
|
0.5
|
0.35
|
8.4
|
0.02
|
1800
|
9.4×10-3
|
18
|
0.4
|
|
FKG-10YN
|
1
|
0.42
|
10
|
0.03
|
1800
|
2.75×10-3
|
20
|
0.54
|
|
FKG-20YN
|
2
|
0.50
|
12
|
0.04
|
1800
|
5.25×10-3
|
30
|
0.96
|
|
FKG-50YN
|
5
|
0.60
|
14
|
0.05
|
1800
|
1.25×10-3
|
40
|
1.3
|
|
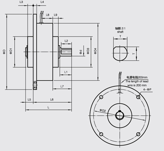
型号
|
外形尺寸
|
轴联结尺寸
|
止口支撑尺寸
|
其余尺寸
|
|
D
|
L
|
d(h7)
|
T
|
L1
|
L2
|
D1(g7)
|
D2
|
L3
|
L4
|
L5
|
P
|
D3
|
D4
|
L6
|
L7
|
L8
|
L9
|
|
FKG-5YN
|
70
|
45
|
5
|
4.5
|
10.5
|
9
|
24
|
60
|
3
|
4
|
5
|
4.5
|
24
|
50
|
40
|
14
|
18
|
3
|
|
FKG-10YN
|
76
|
50
|
7
|
6.5
|
12
|
10
|
30
|
66
|
4
|
4
|
7
|
4.5
|
36
|
56
|
43
|
17
|
18
|
4
|
|
FKG-20YN
|
90
|
59
|
9
|
8.5
|
15
|
13
|
40
|
80
|
6
|
5
|
9
|
4.5
|
40
|
70
|
50
|
21
|
20
|
5
|
|
FKG-50YN
|
108
|
66
|
15
|
14
|
18
|
16
|
44
|
95
|
8
|
5
|
11
|
6
|
44
|
82
|
55
|
27
|
19
|
8
|
|